文章

从发电到用电

从发电到用电

交流与直流

交流电流是指电流强度和电流方向都发生周期性变化的电流。不同于直流电,后者的方向是不会随着时间发生改变的,并且直流电没有周期性变化。

正因如此,交流电的瞬时电压是随时间的变化而变化的,日常生活中说的 $220\mathrm{V}$ 电压,实际上指的是其等效电压,等于在相同时间内产生相同大小焦耳热的直流电电压。

交流电中,电子的运动方向也不同于直流电,沿一个方向运动,相反,电子在一个范围内做往复运动,振幅在微米到毫米级别。事实上,就算在直流电中,电子的速度每秒也只有几毫米。

而我们平时说的,电流从发电站,流向家庭,再流回,实际上只是一种习惯简化的说法。

能量并不靠电子的运动传播。电磁波沿着导线以光速传播,激发了电子的运动。导线只不过起到约束电磁波的作用。我们所使用的网线,其内部虽有绝缘,却仍要两两绞在一起,接网线时,还要按一定的顺序,就是为了减少线路之间的干扰。

直流电与交流电的波形
直流电与交流电的波形

从发电开始

民用电路一般采用三相四线制。顾名思义,三根是相线,一根是中性线。若在电源侧中性线接地,则又称为零线。一般我们只使用其中的一根相线。

发电机

一般,交流发电机由三个线圈和一个中间的电磁铁组成,线圈为定子,电磁铁为转子。线圈彼此相隔 $120 ^{\circ}$。

三相发电机示意
三相发电机示意

三个线圈分别有一端连在一起,形成中性点,引出中性线,另外三端就是三根相线,这就叫做星形接法。与重力势能等相同,电势是一个相对的量,一般我们认为规定大地电势为 $0$。但是因为三个时间、空间上相差 $120^{\circ}$ 的正弦波和为 $0$,当其不接地时,也规定中性点的电势为 $0$。若不平衡,浮空中性点电压会漂移。这里,根据电压等级和系统要求的不同,中性点可以直接接地,也可以通过电阻或消弧线圈接地,甚至不接地。

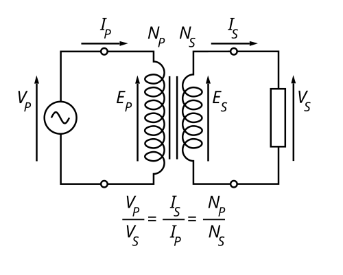
变压器

发电机发出来的电在 $10\mathrm{kV}$ 到 $24\mathrm{kV}$ 之间,但为了远距离传输,还需要再次升压。变压器,只改变电压,而不改变频率。

单相变压器示意
单相变压器示意,N 指线圈的匝数

一个变压器通常由铁芯和线圈组成。交变电流通过初级线圈,产生变化的磁场,而磁场使次级线圈中产生电流。通常是硅钢制的铁芯的磁导率比空气高出几千倍,可以起到放大磁场,并规定其方向。

这里,我们只解释一种常见的三相变压器,如图,这就是一个降压变压器。

三相变压器示意
三相变压器示意

对输电系统中的升压变压器来说,一般初级线圈使用三角形接法,即:将三个线圈首尾相连,在连接处引出三根相线,但次级线圈使用星形接法。这里,为了保证中性点对地电压为 $0$,中性点会直接接地,也就锚定了其电压,但并不会拉一条中性线。而高压电线杆上也还会有避雷线和负责电网内部通信的光缆等。

经过高压输电后为了将其转变为能直接使用的电,还需要经过降压变压器。这时候,与升压变压器相反,初级线圈使用三角形接法,而次级线圈使用星形接法,又出现一根中性线,同样,也会接地处理,然后被送往千家万户。

用电

家庭用电一般为 $220\mathrm{V}$,只用到三根相线中的一根,所以,三根相线会被划分给不同的居民。

对工业用电,也就是三相电,可以只使用三根相线,提供 $380\mathrm{V}$ 的电压。这时候,三根电缆互为回路,可以参考上文图中三个相线的电压变化。

三相平衡

三相平衡要求三相电路中电压源频率相同、幅值相等且相位互差 $120^{\circ}$,负载阻抗相同且为线性阻抗。

中国供电的频率是 $50 \mathrm{Hz}$,幅值,也就是最大值,是 $311 \mathrm{V}$,这些供电端就处理好了。

这里的 $120^{\circ}$,指的是时间上的。正弦函数的一个周期是 $360^{\circ}$,而供电频率为 $50 \mathrm{Hz}$,也就代表一个周期是 $0.02$ 秒,$120^{\circ}$ 也就差不多是 $6.67$ 毫秒。这样,在数学上,当三相平衡时,我们才能推导出三相瞬时电压之和为 $0$,瞬时电流之和为 $0$ 等一系列优美的结论。

保证负载阻抗相同就是用户端的职责了。之前说三相电不需要中性线,这时候每相电的阻抗必须相同。但到了家庭用电,为了出现闭合回路,中性线中一定存在电流。由于现实中不存在电阻为 $0$ 的完美导线,而中性点一般距家庭很远,这便会产生压降。

这里的压降指的是电压降,指电流流经电阻、导线或负载时发生的电势下降,即负载两端的电位差。很显然,有:

\[U_{drop} = IR\]

其中,$R$ 指导线的电阻。

由于压降的存在,家庭端中性线对地面会有一定的电压。

由于现实生活中负载肯定不会完全相同,通常,电流在中性点处也不会是 $0$,这时这些电流通过中性点在各相之间重新分配,从而补偿了负载的不平衡。但假如恰好平衡,电流就会在中性点处抵消。

最后要提到线性与非线性阻抗。阻抗,是电路中电阻、电感、电容对交流电的阻碍作用的统称。阻抗是一个复数,实部称为电阻,虚部称为电抗。现在我们不考虑这些问题,只考虑它对交流电网的影响。

线性阻抗两端的电压与电流是成正比的,也就是说,电压呈正弦波形,电流也会是正弦波。这样,上文的互差 $120^{\circ}$ 的条件就满足了。

非线性阻抗对电压的反应是不规则的,比如说二极管,它的图像是一条指数曲线,而且只能让电流单向通过。虽然可以利用这个特性将交流电转变为直流电,但这同时也带来了大量谐波,就是频率为基波整数倍的波。开关电源(电脑、手机充电器等)、LED灯、变频空调等都是非线性负载。

可怕的是三次谐波,频率为三倍基波频率。原本,$ABC$ 每相上的电流为: \(i_A(t) = I_m \sin(\omega t)\)

\[i_B(t) = I_m \sin(\omega t - 120^\circ)\] \[i_C(t) = I_m \sin(\omega t - 240^\circ)\]

它们的和本应为 $0$。但频率变成原来三倍后,有:

\[i_{A3}(t) = I_{3m} \sin(3\omega t)\] \[i_{B3}(t) = I_{3m} \sin(3(\omega t - 120^\circ)) = I_{3m} \sin(3\omega t - 360^\circ)\] \[i_{C3}(t) = I_{3m} \sin(3(\omega t - 240^\circ)) = I_{3m} \sin(3\omega t - 720^\circ)\]

根据正弦函数的周期性,$\sin(\theta - 360^\circ) = \sin\theta$,有:

\[i_{N3} = i_{A3} + i_{B3} + i_{C3} = I_{3m} \sin(3\omega t) + I_{3m} \sin(3\omega t) + I_{3m} \sin(3\omega t)\] \[i_{N3} = 3 I_{3m} \sin(3\omega t)\]

并不会抵消,反而直接相加。这意味着,即便三相负载完全平衡,三次谐波也会在中性线上叠加,导致中性线电流可能远超相线电流,且使按 $50\mathrm{Hz}$ 设计的变压器过热,发出噪声,寿命降低等。当然,因为变压器是三角形接法,并不会影响到输电的三根相线。我们可以使用有功功率滤波器等解决这个问题。它实时检测波形,发现有三次谐波,便立即产生一个相位相反的电流去抵消它。

了解这些以后,我们就能理解输电网设计的精妙之处:在长距离高压输电中,取消中性线,节省了昂贵的线材成本,而在最终的用户端,又通过星形接法重建中性线,为我们提供了兼容 $220\mathrm{V}$ 单相设备和 $380\mathrm{V}$ 三相设备的灵活供电系统。

本文由作者按照 CC BY NC SA 4.0 进行授权

热门标签